過去問ドリル.com
資格に関する過去問を載せているサイトです。
機械保全技能士3級 過去問
令和7年(2025年)第2回 機械系保全作業
問1 下図に示す工作機械は、ボール盤である。
○
×
問2 フライス盤とは、平面削りや溝削りなどの加工を行う工作機械である。
○
×
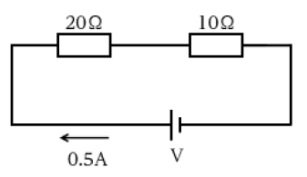
問3 下図に示す回路の電圧Vは、60Vである。
○
×
問4 三相誘導電動機が回転力を発生して回転するためには、回転子の回転速度が同期速度以下でなければならない。
○
×
問5 事後保全は、計画的に設備を停止して、分解・点検・整備をする保全方式である。
○
×
問6 故障モードの例として、変形や腐食などが挙げられる。
○
×
問7 バスタブ曲線は、設備の運転時間と生産量の関係を表すグラフである。
○
×
問8 日常点検で発見された異常振動、異常音などを記す設備運転記録は、設備履歴簿の基礎資料となる。
○
×
問9 下図に示すような品質管理の手法は、特性要因図である。
○
×
問10 作業標準書とは、作業者が作業にかかった時間を、作業のたびに記入するものである。
○
×
問11 アルミニウムは、銅より熱伝導率が大きい。
○
×
問12 合金鋼は、母体となる金(Au)に炭素(C)を加えたものである。
○
×
問13 鋼の熱処理の例として、焼きなましや焼入れなどが挙げられる。
○
×
問14 ボール盤を使用した切削作業では、必ず手袋を装着する。
○
×
問15 5Sにおける整頓とは、必要なものがすぐに取り出せるように、置き場所、置き方を決め、表示を確実に行うことである。
○
×
問16 ねじのリードとは、ねじを1回転させたときに、ねじが軸方向に動く距離のことである。
○
×
問17 平ベルトの断面は、台形である。
○
×
問18 一般的に、ノギスの最小読取値は1mmである。
○
×
問19 軸受に発生する焼付きの原因の1つとして、潤滑不足が挙げられる。
○
×
問20 グリースは、滴点より高い温度で使用しなければならない。
○
×
問21 ガス溶接とは、2つの母材の接合部分を燃焼ガスの炎で加熱して溶融することで、接合する方法である。
○
×
問22 タップは、おねじを切る切削工具である。
○
×
問23 非破壊検査とは、検査対象物を傷つけることなく欠陥などを検出する検査方法である。
○
×
問24 一般的に、油圧は空気圧に比べて、精密な速度制御が困難である。
○
×
問25 油圧バルブのうち、圧力制御弁には、チェック弁や切換弁などがある。
○
×
問26 作動油の粘度は、低温で高くなり、高温で低くなる。
○
×
問27 プラスチックには、ポリエチレンやポリプロピレンなどの種類がある。
○
×
問28 硬質クロムめっきは、金属の表面層に球形に近い硬質粒子を高速度で打ち当てることによって、表面を加工硬化させる加工法である。
○
×
問29 ロープは、安全率が高くなるほど切れやすくなる。
○
×
問30 下図に示す図面において、Aを引出線という。
○
×
次へ
機械保全技能士3級
機械系保全作業
2025年第1回
2025年第2回
2024年第1回
2024年第2回
2023年第1回
2023年第2回
電気系保全作業
2025年第1回
2025年第2回
2024年第1回
2024年第2回
2023年第1回
2023年第2回
【た行】
第三種冷凍機械責任者
【か行】
機械保全技能士3級
【は行】
ボイラー技士1級
ボイラー技士2級
プライバシーポリシー