過去問ドリル.com
資格に関する過去問を載せているサイトです。
機械保全技能士3級 過去問
令和5年(2023年)第2回 電気系保全作業
問1 下図に示す工作機械は、ボール盤である。
○
×
問2 旋盤とは、工作物を主軸に取り付け、工作物を回転させながら加工を行う工作機械である。
○
×
問3 下図に示す回路に流れる電流Iは、4Aである。
○
×
問4 60Hzで使用している三相誘導電動機を50Hzで使用すると、回転数は6/5倍になる。
○
×
問5 改良保全とは、設備の故障を起きにくくしたり、設備の性能や安全性を高めるものである。
○
×
問6 故障モードの例として、変形や腐食などが挙げられる。
○
×
問7 定期保全とは、過去の故障実績などを参考にし、一定の周期で点検や検査を行う保全である。
○
×
問8 5W1Hは、災害防止のために必要な安全装置の略称である。
○
×
問9 下図に示すような品質管理の手法は、パレート図である。
○
×
問10 作業標準書とは、誰がやっても同じ結果が出るように、人の動作・機械操作の手順を定めたものである。
○
×
問11 鉄は、銅よりも耐食性に優れる。
○
×
問12 ステンレス鋼は、鉄にニッケルやクロムなどを加えたものである。
○
×
問13 鋼の熱処理の例として、めっきなどが挙げられる。
○
×
問14 ボール盤を使用した切削作業では、必ず手袋を装着する。
○
×
問15 5Sにおける整理とは、必要なものがすぐに取り出せるように、置き場所、置き方を決め、表示を確実に行うことである。
○
×
問16 サーボモータとは、位置や速度をフィードバック制御できるモータである。
○
×
問17 電磁開閉器は、電磁接触器から熱動過負荷継電器を外したものである。
○
×
問18 カスケード制御とは、目標値、外乱などの情報に基づいて、操作量を決定する制御方式である。
○
×
問19 温度センサの1つとして、熱電対が挙げられる。
○
×
問20 ファラデーの電磁誘導の法則によると、コイルの巻数を多くすると起電力は大きくなる。
○
×
問21 21原子核は、陽子と中性子で構成される。
○
×
問22 消費電力100Wの電熱器を1時間使用したときの消費電力量は、100kJである。
○
×
問23 論理回路において、入力をA、Bとした場合、「AND」は、「A・B」である。
○
×
問24 絶縁抵抗計のE端子の極性は、+である。
○
×
問25 クランプメータは、電線の太さを測定できる。
○
×
問26 三相誘導電動機の軸受部が異常に高温となる原因として、潤滑剤の過不足が考えられる。
○
×
問27 下図に示す圧着端子は、R形銅線用裸圧着端子である。
○
×
問28 アルミニウムや銅は、絶縁材料である。
○
×
問29 日本産業規格(JIS)によれば、下図は「リミットスイッチにおけるメーク接点」の電気用図記号である。
○
×
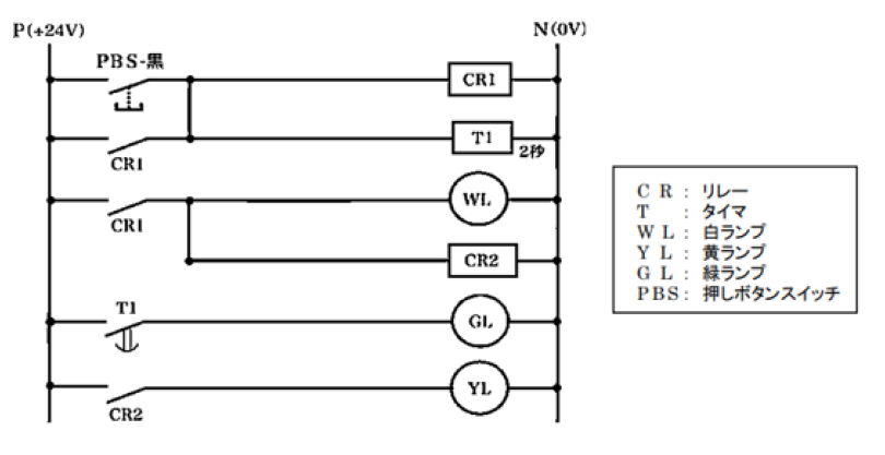
問30 下図に示すような有接点リレーシーケンス回路図において、「PBS-黒(押しボタンスイッチ-黒)」を押した場合、3番目に点灯するのは「GL(緑ランプ)」である。
○
×
次へ
機械保全技能士3級
機械系保全作業
2025年第1回
2025年第2回
2024年第1回
2024年第2回
2023年第1回
2023年第2回
電気系保全作業
2025年第1回
2025年第2回
2024年第1回
2024年第2回
2023年第1回
2023年第2回
【た行】
第三種冷凍機械責任者
【か行】
機械保全技能士3級
【は行】
ボイラー技士1級
ボイラー技士2級
プライバシーポリシー