過去問ドリル.com
資格に関する過去問を載せているサイトです。
機械保全技能士3級 過去問
令和7年(2025年)第1回 電気系保全作業
問1 下図に示す工作機械は、旋盤である。
○
×
問2 フライス盤とは、工作物を主軸に取り付け、工作物を回転させながら加工を行う工作機械である。
○
×
問3 下図に示す回路の合成抵抗は、50Ωである。
○
×
問4 60Hzで使用している三相誘導電動機を50Hzで使用すると、回転数は6/5倍になる。
○
×
問5 事後保全は、予め定められた計画に沿って設備を停止して、分解・点検・整備をする保全方式である。
○
×
問6 保全性の良い設備の例として、清掃、点検、給油などの定期整備が容易な設備が挙げられる。
○
×
問7 バスタブ曲線は、時間経過による機械や装置などの故障率の変化を表すグラフである。
○
×
問8 腐食とは、金属が他の固体と接触して発生する摩擦力により、表面が損傷したり、すり減る現象である。
○
×
問9 下図に示すような品質管理の手法は、特性要因図である。
○
×
問10 作業標準書とは、作業者が作業にかかった時間を、作業のたびに記入するものである。
○
×
問11 アルミニウムは、銅より熱伝導率が小さい。
○
×
問12 合金鋼は、薄い金属の板を複数枚重ね合わせることで、耐荷重性を強化したものである。
○
×
問13 鋼の焼なましは、鋼を軟化させ、加工しやすくする熱処理の方法である。
○
×
問14 労働災害とは、火災や地震など、設備の損傷原因となる災害のことである。
○
×
問15 5Sにおける整頓とは、必要なものと不要なものを区分し、不要なものをなくすことをいう。
○
×
問16 サーボモータに適した制御は、クローズドループ方式である。
○
×
問17 インバータは、出力の周波数を変えることはできない。
○
×
問18 フィードフォワード制御とは、目標値、外乱などの情報に基づいて、操作量を決定する制御方式である。
○
×
問19 温度センサの1つとして、熱電対が挙げられる。
○
×
問20 導線(電線)に電流を流したとき、導線の周囲に発生する磁界(磁束)の向きは、電流が流れる方向に対して左回りとなる。
○
×
問21 原子は、原子核と電子により構成される。
○
×
問22 直流回路において、10Vの電圧で10Aの電流が流れたとき電力は、10Wである。
○
×
問23 論理回路において、入力をA、Bとした場合、「OR」は、「A+B」である。
○
×
問24 絶縁抵抗計のL端子の極性は、+である。
○
×
問25 オシロスコープは、物体の温度を測定する計測器である。
○
×
問26 地絡とは、2つの相、または3つの相の線間が負荷を通さずに接触した状態のことである。
○
×
問27 下図に示す銅線用裸圧着端子のうち、R形はaの方である。
○
×
問28 天然ゴムは、導電材料である。
○
×
問29 JISにおいて、下図は「接地」の電気用図記号である。
○
×
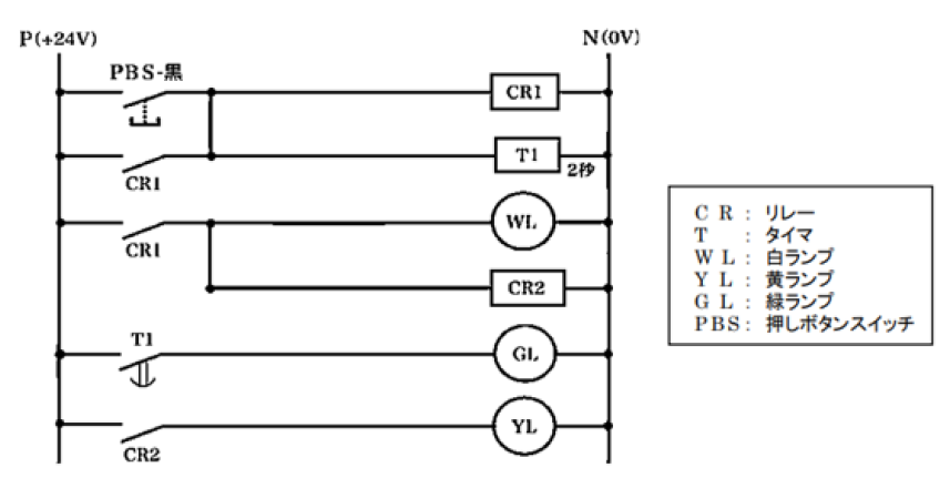
問30 下図に示すような有接点リレーシーケンス回路図において、「PBS-黒(押しボタンスイッチ-黒)」を押した場合、3番目に点灯するのは「GL(緑ランプ)」である。
○
×
次へ
機械保全技能士3級
機械系保全作業
2025年第1回
2025年第2回
2024年第1回
2024年第2回
2023年第1回
2023年第2回
電気系保全作業
2025年第1回
2025年第2回
2024年第1回
2024年第2回
2023年第1回
2023年第2回
【た行】
第三種冷凍機械責任者
【か行】
機械保全技能士3級
【は行】
ボイラー技士1級
ボイラー技士2級
プライバシーポリシー