過去問ドリル.com
資格に関する過去問を載せているサイトです。
機械保全技能士3級 過去問
令和7年(2025年)第2回 電気系保全作業
問1 下図に示す工作機械は、ボール盤である。
○
×
問2 フライス盤とは、平面削りや溝削りなどの加工を行う工作機械である。
○
×
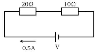
問3 下図に示す回路の電圧Vは、60Vである。
○
×
問4 三相誘導電動機が回転力を発生して回転するためには、回転子の回転速度が同期速度以下でなければならない。
○
×
問5 事後保全は、計画的に設備を停止して、分解・点検・整備をする保全方式である。
○
×
問6 故障モードの例として、変形や腐食などが挙げられる。
○
×
問7 バスタブ曲線は、設備の運転時間と生産量の関係を表すグラフである。
○
×
問8 日常点検で発見された異常振動、異常音などを記す設備運転記録は、設備履歴簿の基礎資料となる。
○
×
問9 下図に示すような品質管理の手法は、特性要因図である。
○
×
問10 作業標準書とは、作業者が作業にかかった時間を、作業のたびに記入するものである。
○
×
問11 アルミニウムは、銅より熱伝導率が大きい。
○
×
問12 合金鋼は、母体となる金(Au)に炭素(C)を加えたものである。
○
×
問13 鋼の熱処理の例として、焼きなましや焼入れなどが挙げられる。
○
×
問14 ボール盤を使用した切削作業では、必ず手袋を装着する。
○
×
問15 5Sにおける整頓とは、必要なものがすぐに取り出せるように、置き場所、置き方を決め、表示を確実に行うことである。
○
×
問16 サーボモータとは、位置や速度をフィードバック制御できるモータである。
○
×
問17 インバータは、直流を交流に変換することができる。
○
×
問18 カスケード制御とは、目標値、外乱などの情報に基づいて、操作量を決定する制御方式である。
○
×
問19 PLC(プログラマブルコントローラ)とは、電磁石の吸引力による磁性体の機械的運動を制御する装置である。
○
×
問20 ファラデーの電磁誘導の法則によると、コイルの巻数を多くすると起電力は大きくなる。
○
×
問21 原子核は、陽子と電子で構成される。
○
×
問22 1秒間に1Cの電荷が通過するとき、電流の大きさは、1Aである。
○
×
問23 エミッタ接地方式の増幅回路は、トランジスタを用いない。
○
×
問24 検相器は、電路の通電状態を確認する際に用いられる。
○
×
問25 回路の電流を測定する際は、電流計を直列に接続する。
○
×
問26 地絡とは、2つの相、または3つの相の線間が負荷を通さずに接触した状態のことである。
○
×
問27 圧着端子に記されている「2-6」は、2mm2の電線を用いて、6mmのネジで取り付けることを意味する。
○
×
問28 塩化ビニル樹脂は、導電材料である。
○
×
問29 JISにおいて、下図は「電磁接触器におけるメーク接点」の電気用図記号である。
○
×
問30 JISにおいて、下図は「PNP型トランジスタ」の電気用図記
○
×
次へ
機械保全技能士3級
機械系保全作業
2025年第1回
2025年第2回
2024年第1回
2024年第2回
2023年第1回
2023年第2回
電気系保全作業
2025年第1回
2025年第2回
2024年第1回
2024年第2回
2023年第1回
2023年第2回
【た行】
第三種冷凍機械責任者
【か行】
機械保全技能士3級
【は行】
ボイラー技士1級
ボイラー技士2級
プライバシーポリシー